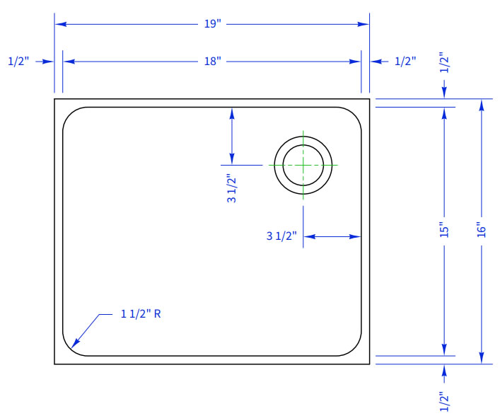
U30 Epoxy Sink

  • Manufactured by: Durcon
  • Colors: Classic Black Onyx. Additional for Graphite, Gray, Tan, Lunar White
  • Availability: Order Today to Receive by
  • Accessories: PP Drain Waste Set, Adhesive, Trap

COLOR CHART


RECEIVE A QUOTE


Details

Durcon U30 undermount epoxy sink is manufactured by Durcon in the United States and offered by EpoxySinks.com. Durcon epoxy undermount laboratory sinks are chemical and corrosion resistant and are a great fit for most schools, universities, research labs, and other facilities. Undermount sinks typically require a sink support for application, sold separately by EpoxySinks.com. Durcon epoxy sinks are available in industry standard classic black onyx. Gaphite, gray, tan, and lunar white are available for an additional charge.

Sink Accessories

DRAIN OUTLET: EF-PPSW-85 POLY or Similar Durcon OUTL-03 OUTL-S03R
OVERFLOW: EF-PPWT-158 or Similar Durcon OVRP-04OE
STOPPER: EF-PPPG-150 or Similar Durcon STPR-02P
ADJUSTABLE RISER BOTTLE TRAP: EF-PPBT

Undermount Epoxy Resin Sink Installation

All undercounter mount epoxy resin sinks are to be supported below by metal frame and hanger bracket systems, sold separately. Apply epoxy adhesive to the top lip of the sink, install sink supports to seal the sink to the countertop. This creates a chemical seal. Remove excess adhesive and sealant while still wet and finish the joint for neat appearance.


EPOXY SINK ACCESSORIES