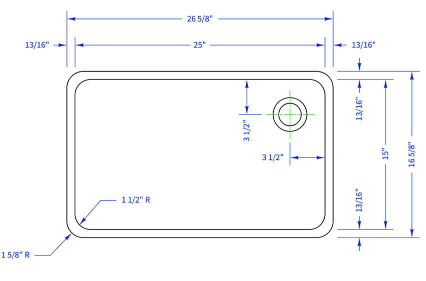
A55 Epoxy Sink

  • Manufactured by: Durcon
  • Colors: Classic Black Onyx. Additional for Graphite, Gray, Tan, Lunar White
  • Availability: Order Today to Receive by
  • Accessories: PP Drain Waste Set, Adhesive, Trap

COLOR CHART


RECEIVE A QUOTE


Details

Durcon A55 is a Lipped Drop-In epoxy sink, manufactured in the United States and offered by EpoxySinks.com, a leader in laboratory equipment supplies. Durcon epoxy resin sinks are a fit for most schools, universities, research labs, and other facilities. Durcon epoxy sinks are available in industry standard classic black onyx. Gaphite, gray, tan, and lunar white are available for an additional charge.

Sink Accessories

DRAIN OUTLET: EF-PPSW-85 POLY or Similar Durcon OUTL-03 OUTL-S03R
OVERFLOW: EF-PPWT-158 or Similar Durcon OVRP-04OE
STOPPER: EF-PPPG-150 or Similar Durcon STPR-02P
ADJUSTABLE RISER BOTTLE TRAP: EF-PPBT

Drop-In Epoxy Sink Installation

Drop-in Installation of Industry Standard or ADA Epoxy Sinks: Rout groove in Epoxy or Lab Grade Solid Phenolic Resin countertop to receive sink rim if not prepared in shop. Set top edge of sink unit in a 7/16" (.044") depth rabetted recessed cutout in the countertop with manufacturers' recommended chemical-resistant sealing compound or adhesive (Smooth-on epoxy). Set sink in the adhesive and fill the remainder of groove with sealant or adhesive. Use procedures and products recommended by sink and countertop manufacturers. Remove excess adhesive and sealant while still wet and finish the joint for neat appearance.


EPOXY SINK ACCESSORIES